应用说明

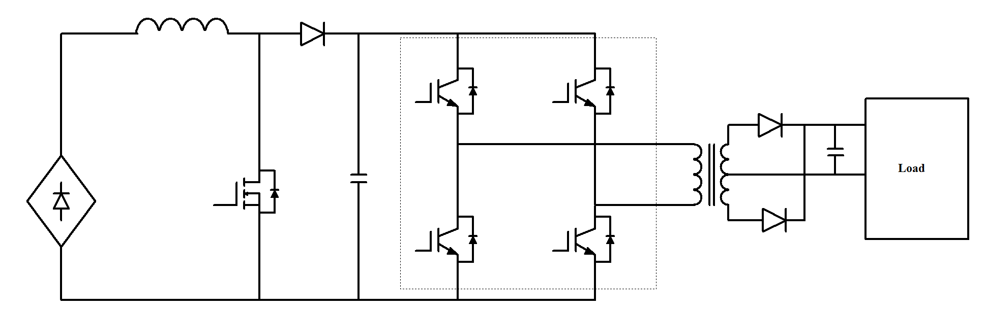
逆变焊机的工作过程,是将三相或单相 50Hz 工频交流电整流、滤波后得到一个较平滑的直流电,由IGBT或场效应管组成的逆变电路将该直流电变为15~100kHz 的交流电,经中频主变压器降压后,再次整流滤波获得平稳的直流输出焊接电流(或再次逆变输出所需频率的交流电)。

线路图

推荐产品

 IGBTVCE  1200V  ID  15A~100A

VCE 600V/650V  ID5A~80A

 

FRDVBR 200V~1200V